平板共轭凸轮式分割器
PU50DS / PU60DS / PU65DS / PU80DS
PU100DS / PU125DS / PU150DS / PU175DS
PU225DS / PU250DS / PU320DS / PU400DS
内含二片固定在入力轴的板型凸轮以及随凸轮传动的滚子转塔出力轴,此分割器有平行共轭凸轮的机构设计,藉由接合于入力轴上的二片板形凸轮转动而传动滚子转塔旋转而达成出力轴分度的功能,最适合供给节距较大的输送带传动或用于停留时间较长的间歇分度。另有三片式重负荷型式,更适合一些快速且长节距的输送,并且停留时间亦比二片式长。
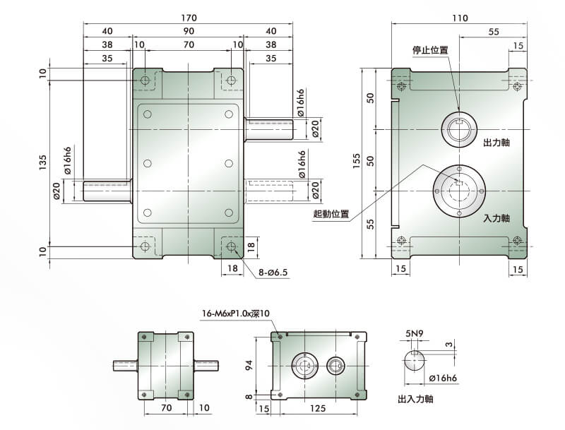
PU50DS
规格
| 项目 | 符号 | 单位 | 数值 |
|---|---|---|---|
| 出力轴容许径向负荷 | P1 | kgf | 130 |
| 出力轴容许轴向负荷 | P2 | kgf | 100 |
| 出力轴容许力矩 | Ts | kgf-m | 参考力矩表 |
| 出力轴的旋转刚性 | K1 | kgf-m/rad | 4.4 x 10 2 |
| 入力轴容许轴向应力 | P4 | kgf | 130 |
| 入力轴容许径向负荷 | P5 | kgf | 100 |
| 入力轴容许扭力 | P6 | kgf-m | 6 |
| 入力轴的旋转钢性 | K2 | kgf-m2 | 4.4 x 102 |
| 1DWELL的分割精度 | sec. | ±72 | |
| 2DWELL的分割精度 | sec. | ±144 | |
| 重复定位精度 | sec. | 72 | |
| 重量 | kg | 7 |
- 入力轴的GD2是在停留范围内的数值。
- C1~C5数值是达到安全系数=2时的数值。
*本公司保有图面修改之权利,详细规格请与本公司联络。
PU60DS
规格
| 项目 | 符号 | 单位 | 数值 |
|---|---|---|---|
| 出力轴容许径向负荷 | P1 | kgf | 190 |
| 出力轴容许轴向负荷 | P2 | kgf | 130 |
| 出力轴容许力矩 | Ts | kgf-m | 参考力矩表 |
| 出力轴的旋转刚性 | K1 | kgf-m/rad | 6.8 x 10 2 |
| 入力轴容许轴向应力 | P4 | kgf | 190 |
| 入力轴容许径向负荷 | P5 | kgf | 130 |
| 入力轴容许扭力 | P6 | kgf-m | 8.5 |
| 入力轴的旋转钢性 | K2 | kgf-m2 | 6.8 x 102 |
| 1DWELL的分割精度 | sec. | ±60 | |
| 2DWELL的分割精度 | sec. | ±120 | |
| 重复定位精度 | sec. | 60 | |
| 重量 | kg | 16 |
- 入力轴的GD2是在停留范围内的数值。
- C1~C5数值是达到安全系数=2时的数值。
*本公司保有图面修改之权利,详细规格请与本公司联络。
PU65DS
规格
| 项目 | 符号 | 单位 | 数值 |
|---|---|---|---|
| 出力轴容许径向负荷 | P1 | kgf | 250 |
| 出力轴容许轴向负荷 | P2 | kgf | 160 |
| 出力轴容许力矩 | Ts | kgf-m | 参考力矩表 |
| 出力轴的旋转刚性 | K1 | kgf-m/rad | 9.2 x 10 2 |
| 入力轴容许轴向应力 | P4 | kgf | 250 |
| 入力轴容许径向负荷 | P5 | kgf | 160 |
| 入力轴容许扭力 | P6 | kgf-m | 11 |
| 入力轴的旋转钢性 | K2 | kgf-m2 | 9.2 x 102 |
| 1DWELL的分割精度 | sec. | ±60 | |
| 2DWELL的分割精度 | sec. | ±120 | |
| 重复定位精度 | sec. | 60 | |
| 重量 | kg | 15 |
- 入力轴的GD2是在停留范围内的数值。
- C1~C5数值是达到安全系数=2时的数值。
*本公司保有图面修改之权利,详细规格请与本公司联络。
PU80DS
规格
| 项目 | 符号 | 单位 | 数值 |
|---|---|---|---|
| 出力轴容许径向负荷 | P1 | kgf | 360 |
| 出力轴容许轴向负荷 | P2 | kgf | 250 |
| 出力轴容许力矩 | Ts | kgf-m | 参考力矩表 |
| 出力轴的旋转刚性 | K1 | kgf-m/rad | 1.85 x 10 3 |
| 入力轴容许轴向应力 | P4 | kgf | 360 |
| 入力轴容许径向负荷 | P5 | kgf | 250 |
| 入力轴容许扭力 | P6 | kgf-m | 8.5 |
| 入力轴的旋转钢性 | K2 | kgf-m2 | 1.85 x 103 |
| 1DWELL的分割精度 | sec. | ±60 | |
| 2DWELL的分割精度 | sec. | ±120 | |
| 重复定位精度 | sec. | 60 | |
| 重量 | kg | 20 |
- 入力轴的GD2是在停留范围内的数值。
- C1~C5数值是达到安全系数=2时的数值。
*本公司保有图面修改之权利,详细规格请与本公司联络。
PU100DS
规格
| 项目 | 符号 | 单位 | 数值 |
|---|---|---|---|
| 出力轴容许径向负荷 | P1 | kgf | 360 |
| 出力轴容许轴向负荷 | P2 | kgf | 250 |
| 出力轴容许力矩 | Ts | kgf-m | 参考力矩表 |
| 出力轴的旋转刚性 | K1 | kgf-m/rad | 1.85 x 10 3 |
| 入力轴容许轴向应力 | P4 | kgf | 360 |
| 入力轴容许径向负荷 | P5 | kgf | 250 |
| 入力轴容许扭力 | P6 | kgf-m | 8.5 |
| 入力轴的旋转钢性 | K2 | kgf-m2 | 1.85 x 103 |
| 1DWELL的分割精度 | sec. | ±60 | |
| 2DWELL的分割精度 | sec. | ±120 | |
| 重复定位精度 | sec. | 60 | |
| 重量 | kg | 20 |
- 入力轴的GD2是在停留范围内的数值。
- C1~C5数值是达到安全系数=2时的数值。
*本公司保有图面修改之权利,详细规格请与本公司联络。
PU125DS
规格
| 项目 | 符号 | 单位 | 数值 |
|---|---|---|---|
| 出力轴容许径向负荷 | P1 | kgf | 520 |
| 出力轴容许轴向负荷 | P2 | kgf | 630 |
| 出力轴容许力矩 | Ts | kgf-m | 参考力矩表 |
| 出力轴的旋转刚性 | K1 | kgf-m/rad | 5.03 x 10 3 |
| 入力轴容许轴向应力 | P4 | kgf | 520 |
| 入力轴容许径向负荷 | P5 | kgf | 630 |
| 入力轴容许扭力 | P6 | kgf-m | 65 |
| 入力轴的旋转钢性 | K2 | kgf-m2 | 5.03 x 103 |
| 1DWELL的分割精度 | sec. | ±60 | |
| 2DWELL的分割精度 | sec. | ±120 | |
| 重复定位精度 | sec. | 60 | |
| 重量 | kg | 65 |
- 入力轴的GD2是在停留范围内的数值。
- C1~C5数值是达到安全系数=2时的数值。
*本公司保有图面修改之权利,详细规格请与本公司联络。
PU150DS
规格
| 项目 | 符号 | 单位 | 数值 |
|---|---|---|---|
| 出力轴容许径向负荷 | P1 | kgf | 750 |
| 出力轴容许轴向负荷 | P2 | kgf | 860 |
| 出力轴容许力矩 | Ts | kgf-m | 参考力矩表 |
| 出力轴的旋转刚性 | K1 | kgf-m/rad | 1.8 x 10 4 |
| 入力轴容许轴向应力 | P4 | kgf | 750 |
| 入力轴容许径向负荷 | P5 | kgf | 880 |
| 入力轴容许扭力 | P6 | kgf-m | 135 |
| 入力轴的旋转钢性 | K2 | kgf-m2 | 1.8 x 104 |
| 1DWELL的分割精度 | sec. | ±60 | |
| 2DWELL的分割精度 | sec. | ±120 | |
| 重复定位精度 | sec. | 60 | |
| 重量 | kg | 87 |
- 入力轴的GD2是在停留范围内的数值。
- C1~C5数值是达到安全系数=2时的数值。
*本公司保有图面修改之权利,详细规格请与本公司联络。
PU175DS
规格
| 项目 | 符号 | 单位 | 数值 |
|---|---|---|---|
| 出力轴容许径向负荷 | P1 | kgf | 920 |
| 出力轴容许轴向负荷 | P2 | kgf | 1000 |
| 出力轴容许力矩 | Ts | kgf-m | 参考力矩表 |
| 出力轴的旋转刚性 | K1 | kgf-m/rad | 1.68 x 10 4 |
| 入力轴容许轴向应力 | P4 | kgf | 920 |
| 入力轴容许径向负荷 | P5 | kgf | 1000 |
| 入力轴容许扭力 | P6 | kgf-m | 185 |
| 入力轴的旋转钢性 | K2 | kgf-m2 | 1.68 x 104 |
| 1DWELL的分割精度 | sec. | ±60 | |
| 2DWELL的分割精度 | sec. | ±120 | |
| 重复定位精度 | sec. | 60 | |
| 重量 | kg | 127 |
- 入力轴的GD2是在停留范围内的数值。
- C1~C5数值是达到安全系数=2时的数值。
*本公司保有图面修改之权利,详细规格请与本公司联络。
PU225DS
规格
| 项目 | 符号 | 单位 | 数值 |
|---|---|---|---|
| 出力轴容许径向负荷 | P1 | kgf | 1435 |
| 出力轴容许轴向负荷 | P2 | kgf | 1470 |
| 出力轴容许力矩 | Ts | kgf-m | 参考力矩表 |
| 出力轴的旋转刚性 | K1 | kgf-m/rad | 4.31 x 10 4 |
| 入力轴容许轴向应力 | P4 | kgf | 1435 |
| 入力轴容许径向负荷 | P5 | kgf | 2150 |
| 入力轴容许扭力 | P6 | kgf-m | 410 |
| 入力轴的旋转钢性 | K2 | kgf-m2 | 4.31 x 104 |
| 1DWELL的分割精度 | sec. | ±60 | |
| 2DWELL的分割精度 | sec. | ±120 | |
| 重复定位精度 | sec. | 60 | |
| 重量 | kg | 220 |
- 入力轴的GD2是在停留范围内的数值。
- C1~C5数值是达到安全系数=2时的数值。
*本公司保有图面修改之权利,详细规格请与本公司联络。
PU250DS
规格
| 项目 | 符号 | 单位 | 数值 |
|---|---|---|---|
| 出力轴容许径向负荷 | P1 | kgf | 1550 |
| 出力轴容许轴向负荷 | P2 | kgf | 1560 |
| 出力轴容许力矩 | Ts | kgf-m | 参考力矩表 |
| 出力轴的旋转刚性 | K1 | kgf-m/rad | 5.37 x 10 4 |
| 入力轴容许轴向应力 | P4 | kgf | 1550 |
| 入力轴容许径向负荷 | P5 | kgf | 2400 |
| 入力轴容许扭力 | P6 | kgf-m | 500 |
| 入力轴的旋转钢性 | K2 | kgf-m2 | 5.37 x 10-4 |
| 1DWELL的分割精度 | sec. | ±60 | |
| 2DWELL的分割精度 | sec. | ±120 | |
| 重复定位精度 | sec. | 60 | |
| 重量 | kg | 388 |
- 入力轴的GD2是在停留范围内的数值。
- C1~C5数值是达到安全系数=2时的数值。
*本公司保有图面修改之权利,详细规格请与本公司联络。
PU320DS
规格
| 项目 | 符号 | 单位 | 数值 |
|---|---|---|---|
| 出力轴容许径向负荷 | P1 | kgf | 1720 |
| 出力轴容许轴向负荷 | P2 | kgf | 1775 |
| 出力轴容许力矩 | Ts | kgf-m | 参考力矩表 |
| 出力轴的旋转刚性 | K1 | kgf-m/rad | 5.82 x 10 4 |
| 入力轴容许轴向应力 | P4 | kgf | 1690 |
| 入力轴容许径向负荷 | P5 | kgf | 2670 |
| 入力轴容许扭力 | P6 | kgf-m | 580 |
| 入力轴的旋转钢性 | K2 | kgf-m2 | 5.82 x 104 |
| 1DWELL的分割精度 | sec. | ±60 | |
| 2DWELL的分割精度 | sec. | ±120 | |
| 重复定位精度 | sec. | 60 | |
| 重量 | kg | 750 |
- 入力轴的GD2是在停留范围内的数值。
- C1~C5数值是达到安全系数=2时的数值。
*本公司保有图面修改之权利,详细规格请与本公司联络。
PU400DS
规格
| 项目 | 符号 | 单位 | 数值 |
|---|---|---|---|
| 出力轴容许径向负荷 | P1 | kgf | 2968 |
| 出力轴容许轴向负荷 | P2 | kgf | 3398 |
| 出力轴容许力矩 | Ts | kgf-m | 参考力矩表 |
| 出力轴的旋转刚性 | K1 | kgf-m/rad | 6.35 x 10 4 |
| 入力轴容许轴向应力 | P4 | kgf | 2968 |
| 入力轴容许径向负荷 | P5 | kgf | 6698 |
| 入力轴容许扭力 | P6 | kgf-m | 692 |
| 入力轴的旋转钢性 | K2 | kgf-m2 | 6.85 x 104 |
| 1DWELL的分割精度 | sec. | ±60 | |
| 2DWELL的分割精度 | sec. | ±120 | |
| 重复定位精度 | sec. | 60 | |
| 重量 | kg | 1000 |
- 入力轴的GD2是在停留范围内的数值。
- C1~C5数值是达到安全系数=2时的数值。
*本公司保有图面修改之权利,详细规格请与本公司联络。










